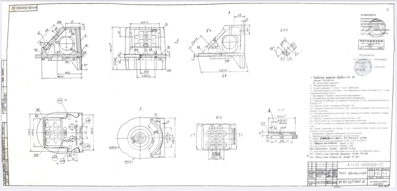
Клин фрикционный К44.06-00.00.00.0-02 (RFE-43) с прокладкой износостойкой К44.06-00.00.00.0-01 (RFE-43)
Клин фрикционный относится к износостойким элементам по проекту модернизации грузовых вагонов. Имеет полый корпус; термо и мех обработка при изготовлении не требуется.
Он считается одним из значимых элементов в узле гашения колебаний. От качества работы клина зависит длительность безремонтного пробега подвижного состава, а в нынешней сложной отраслевой и экономической ситуациях минимизация издержек, отсутствие простоя и отцепов – является наиболее актуальным вопросом. Клин устанавливается между надрессорной балкой и фрикционной планкой, снизу имеет кольцевой выступ предотвращающий его горизонтальное движение относительно его посадочного места – пружины на которой он установлен.
Износ клина приходится на вертикальную поверхность соприкасающуюся с износостойкой планкой и наклонную поверхность контактирующую с надрессорной балкой в связи с чем меняется его положение – клин поднимается, что приводит к тому, что опорные плоскости оказываются выше опорных поверхностей балки В конструкции двухосной тележки клину, при взаимодействии с надрессорной балкой, износостойкой планкой боковой рамы и пружиной отведена одна из важнейших ролей – предотвращения раскачивания кузова железнодорожного вагона и гашение колебаний при движении. Суть работы заключается в том, что при нагрузке на пружину в гасителе колебаний возникает трение и происходит амортизация боковых вибраций балки.
